显卡维修工程师采用新的 16PIN 接头?
笔者近日看BILIBILI的时候,有看到频道靓女维修佬提到一款新的16PIN供电接头,针脚变得更粗大。 在后面的测试中,在用上英伟达16PIN ADAPTER转接后,显卡上的16PIN接头在600W烧机时仅有约50度。 这视频引起社群广泛关注,特别是那张显卡…
针脚更粗更大的 16PIN 会比较安全吗?
视频中展示的维修个案为一张ROG ASTRAL RTX 5090,用户有额外使用转接头,最终16PIN连接处烧毁。 不少观众对显卡上的贴纸比较感兴趣,笔者则认为视频中展示的新接头更有意思。


笔者在网络上有看到不少16PIN烧毁的案例,当中在显卡上的16PIN接头,烧毁时或会出现针脚变细的情况。 靓女所展示的个案也有这种情况,12V 针脚中被波及的部份明显变细,GND 引脚明显较粗。 而靓女用于更换的 16PIN,如靓女本人所说是新的设计,针脚看起来更粗更大。 这难免让笔者猜想更粗的针脚就是用来扛,耐一点。
另一方面,由于这张卡是RTX 5090,所以显卡必然用上最新一代标准12V2X6 H++接头。 不过笔者还未见INTEL ATX3规范有更新,这种针脚更粗的东西,不知道是否符合INTEL ATX3的标准。

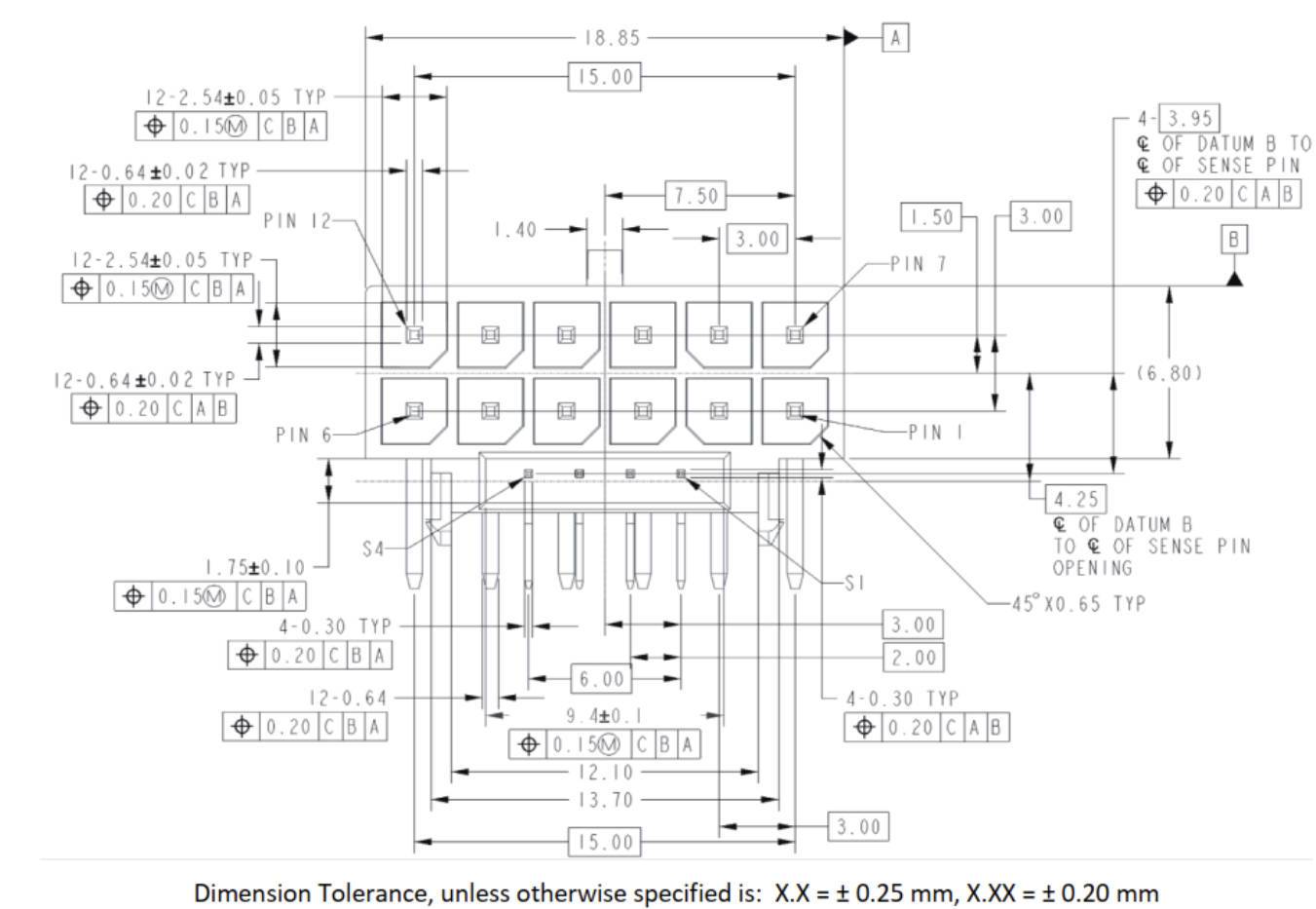
翻查INTEL ATX3 (2.1A) 标准(链接),关于16PIN接头(HEADER)的针脚设计,其粗度似乎是有所规范的,约在0.64MM,正负0.02MM。 CABLE PLUG 线材接头那边,好像没有规定 TERMINAL 端子的粗细尺寸。



关于那个 50 度的测试,由于没有横向比对,参考意义不大。 虽然一般用上那种热成像测量 16PIN 的时候,温度往往都在 60 ~ 80 度,所以 50 度似乎颇有料。 不过,16PIN 的问题,似乎在于耐久度,短时间的测试结果,未必能够反映长期使用的状态和寿命。
如果参考 YOUTUBE 频道 NorthridgeFix 的视频 ,一般 16PIN 接头放进 PCB 后,PCB 开孔跟针脚之间还是有一定空间,所以针脚粗一点好像也还好。 NorthridgeFix 向来认为人工焊接优于工厂流水线机械焊接,也曾驱使厂商承认工厂 16PIN 焊接水平有改进空间。

HARDWARE BUSTER,也就是CYBENETICS的创始人所自行建立的媒体频道,曾提及16PIN线材一直进步,最近甚至谈及一种不会烧起来的16PIN线材。 由此看来,线材制造和接头制造一直进步,厂商们背后还是有尝试在目前规范下改进 16PIN 使用体验。
微信扫一扫
